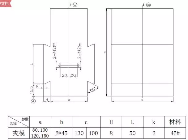
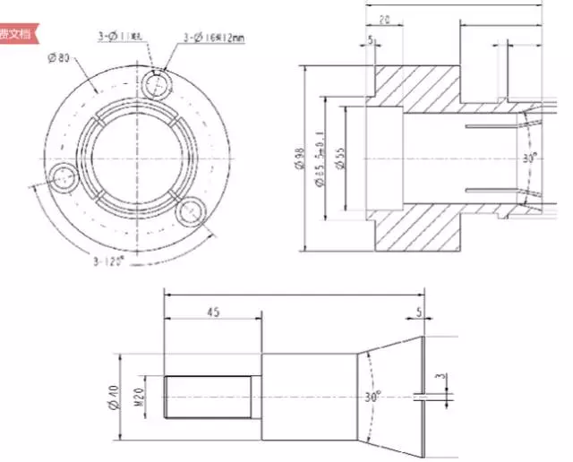
按照功能性分類常用的幾種工裝夾具
日期:2019-05-07 / 人氣: / 來源:m.saianhua.com / 熱門標簽: 精益工裝夾具 lcia 簡易自動化
歡迎您訪問博革咨詢官網!博革咨詢是中國首家整合精益生產/六西格瑪/流程再造的咨詢公司,專注于提供 精益生產、6S現場管理、TPM設備管理、精益工廠布局、專業目視化、精益供應鏈、精益研發、六西格瑪管理、智能制造等綜合性問題解決方案并負責落地實施。
全國咨詢熱線:021-62373515、157-2153-3189
我們承諾:見效快、易復制,目標必對賭!











作者:博革咨詢
咨詢采購表
精益生產怎么做?六西格瑪咨詢怎么做?項目周期是多少?大概需要多少費用?
我是什么企業?目前需要解決的問題是什么?預算周期是多少?想要達到什么效果?
歡迎您瀏覽博革咨詢官方網站!我們專注于精益生產咨詢、六西格瑪咨詢、精益供應鏈咨詢、5S6S現場管理、TPM設備管理咨詢、工廠布局規劃、目視化看板設計等領域的落地咨詢;若對本頁面內容不感興趣或想了解更多與您企業、行業相關的資訊,可通過以下方式尋找解決方法:
(1)工作時間可撥打我們的全國咨詢熱線:15721533189,021-62373515 進行咨詢;
(2)在網站欄目右側“搜索框” 輸入您感興趣的關鍵詞,搜索相關內容;
(3)點擊左側“在線咨詢”按鈕, 您可以和我們的專家老師在線咨詢;
(4)非工作時間請點擊網站下方的“留言” 按鈕,留下您的聯系方式和需要咨詢的內容,我們將安排專業顧問給您解答;
(5)
入群方式:掃描左圖二維碼,添加小博微信好友,通過認證后,加入精益生產VIP會員微信群。
熱銷課程 Hot
相關內容 Related
- 目視化管理之作業管理09-09
- 目視化管理之品質管理09-09
- 工廠標識管理分類大全09-09
- 目視管理之安全管理09-03
- 目視管理之物品管理09-03
- 目視管理之設備管理09-03



